产品介绍
| 额定电压(V) | 100/110/120 | 220/230/240 |
| 额定频率(Hz) | 60 | 50/60 |
| 额定输入功率(W) | 500-1400 | 500-1600 |
| 绝缘等级 | Class A、E、B、F | Class A、E、B、F |
| 火花等级 | ≤2级 | ≤2级 |
| 振动(mm/s) | 25 | 25 |
| 寿命(一堆碳刷) | 500小时 | 500小时 |
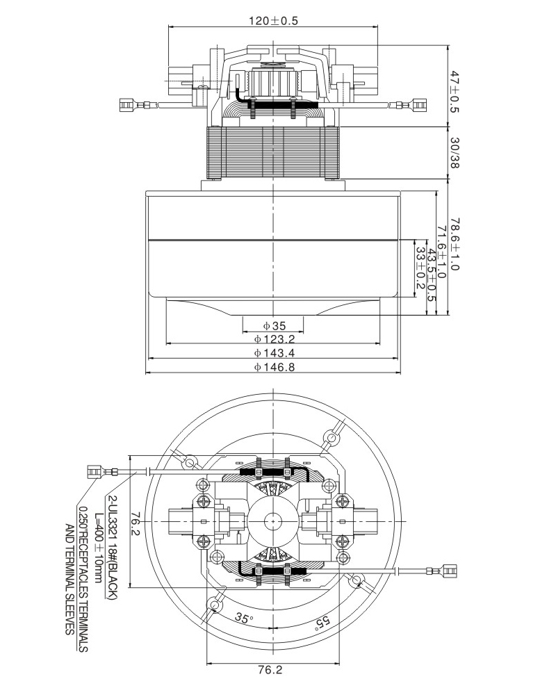
XBH95系列典型电机技术参数:
| 电机型号 | XBH9530-230-1000 |
| 额定电压(V) | 230 |
| 额定频率(Hz) | 50 |
| 额定输入功率(W) | 1000 |
| 最大风量(M3/min) | 2.75 |
| 最大真空度(Kpa) | 27 |
| 最大吸入功率(W) | 360 |
| 最大吸入效率(%) | 37% |
| 噪音(IM)(dBA) | ≤92 |
| 额定电压(V) | 100/110/120 | 220/230/240 |
| 额定频率(Hz) | 60 | 50/60 |
| 额定输入功率(W) | 500-1400 | 500-1600 |
| 绝缘等级 | Class A、E、B、F | Class A、E、B、F |
| 火花等级 | ≤2级 | ≤2级 |
| 振动(mm/s) | 25 | 25 |
| 寿命(一堆碳刷) | 500小时 | 500小时 |
XBH95系列典型电机技术参数:
| 电机型号 | XBH9530-230-1000 |
| 额定电压(V) | 230 |
| 额定频率(Hz) | 50 |
| 额定输入功率(W) | 1000 |
| 最大风量(M3/min) | 2.75 |
| 最大真空度(Kpa) | 27 |
| 最大吸入功率(W) | 360 |
| 最大吸入效率(%) | 37% |
| 噪音(IM)(dBA) | ≤92 |





